Мы используем cookie для наилучшего представления нашего сайта. Подробнее об этом в Политике конфиденциальности.
Ок

Химки

Ваш город:
Химки (Московская область)?
Нет
Да
Каталог
Каталог Написать в WhatsApp
Мотоэкипировка

Крепление двигателя снегохода ТАЙГА РМ РЫСЬ

Крепление двигателя снегохода ТАЙГА РМ РЫСЬ в Москве: актуальный каталог, цены, фото, описание. Купите крепление двигателя снегохода тайга рм рысь в кредит – оформите заявку онлайн за 1 минуту!

Оригинальные запчасти

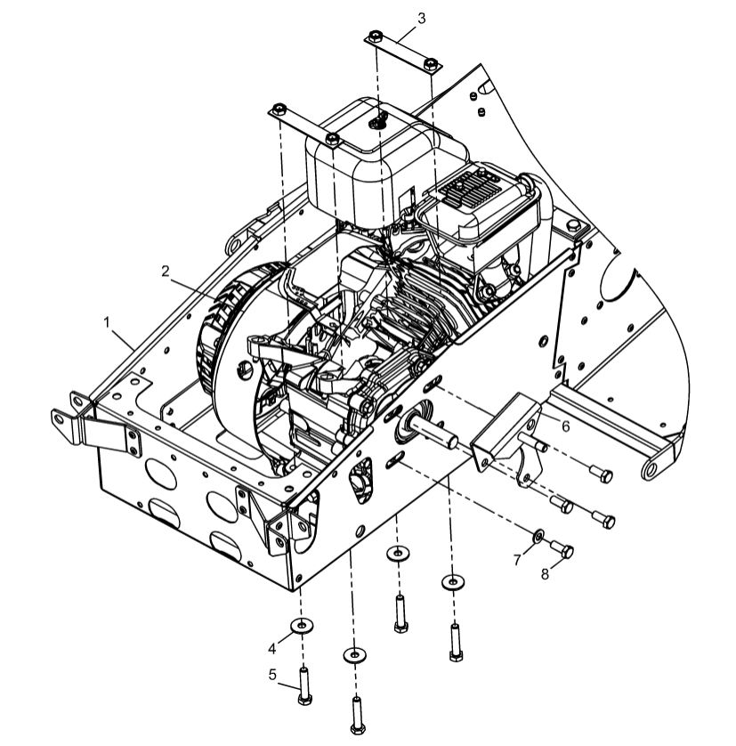
Артикул НАИМЕНОВАНИЕ Кол-во деталей в узле Примечание Наличие Цена Аналоги Фото
1 C70100180 Рама 102099

Под заказ

1
Аннулирована с 1.09...
Аннулирована с 1.09.13. Заменена на С70100280

Под заказ

уточнить

Купить
2 Kohler SH265-0021 Двигатель 99974

Под заказ

1

Под заказ

уточнить

Купить
3 DIN 9021-P Шайба 6 64305

Под заказ

4

Под заказ

уточнить

Купить
4 DIN 931-88P Болт М8х45 74103

Под заказ

4

Под заказ

уточнить

Купить
5 C70600030 Кронштейн тормоза 99664

Под заказ

1

Под заказ

уточнить

Купить
6 DIN 125-PA Шайба 8 68960

Под заказ

1

Под заказ

уточнить

Купить

Нулевая цена не означает отсутствие товара. Оформите заказ, и менеджер сообщит вам цену и наличие товара, предварительно запросив их у поставщика

Главная Магазины
Корзина0
Профиль